Accueil

Accueil

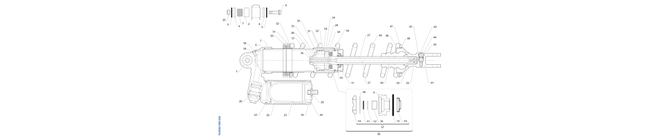
AMORTISSEURSMR-530Fi-4T 2020

AMORTISSEUR

AMORTISSEUR4TSM2020 AGRANDIR L'IMAGE CLIQUEZ ICI

Filtres actifs