Accueil

Accueil

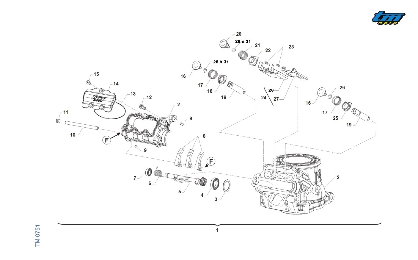
VALVE D'ECHAPPEMENT 2T-EN-125-FI-ES- 2026

VALVE D'ECHAPPEMENT

VALVE D'ECHAPPEMENT AGRANDIR L'IMAGE CLIQUEZ ICI

Aucun produit disponible pour le moment

Restez à l'écoute ! D'autres produits seront affichés ici au fur et à mesure qu'ils seront ajoutés.