Accueil

Accueil

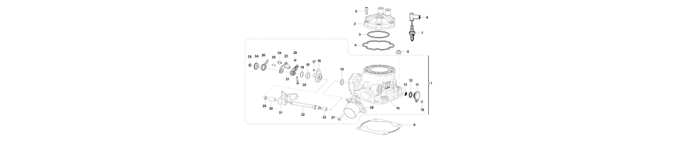
CYLINDREEN-125Fi 2020

CYLINDRE

Filtres actifs